背景与需求
随着全球能源危机、用能增加以及新能源技术的增加,新能源发电越来越广,并逐步形成新型能源与电力市场,但新能源的能量密度普遍偏低,进行大功率发电还需要挑选适合的位置场地,因此属于间歇式电源。而微电网技术的提出,为高效利用这些新能源电力提供了重要的技术方向。



微电网及其结构
微电网系统:
由分布式电源、储能装置、能量转换装置、相关负荷和监控、保护装置汇集而成的小型发配电系统,是一个能够实现自我控制、保护和管理的自治系统。

分类:
并网型:既可以与外部电网连接运行,也支持离网独立运行,以并网为主。

离网型:不与外部电网联网,实现电能自发自用,功率平衡微电网。

微电网能量管理系统
Acrel-2000MG微电网能量管理系统能够对微电网的源、网、荷、储能系统、充电负荷进行实时监控、诊断告警、全景分析、有序管理和高级控制,满足微电网运行监视全面化、安全分析智能化、调整控制前瞻化、全景分析动态化的需求,完成不同目标下光储充资源之间的灵活互动与经济优化运行,实现能源效益、经济效益和环境效益最大化。

计划曲线:控制储能系统使其按照预定的计划曲线安排充、放电计划。
针对微电网内部负荷相对比较稳定,负荷存在明显的峰谷差,且峰谷电价较大的场景,宜适合这种策略。

需量控制:控制系统从电网取电的需量值,防止需量增加,增加基础电费或罚款。

读取并网点功率,并与设置的最大需量值进行比较,当超过设置的最大需量值时,储能放电降低峰值功率,若仍不能满足则需要按负荷等级切除负荷来满足。若不超过设置的最大需量值,则储能进行充电,同时保证储能充电时仍然不超过设置的最大需量值。
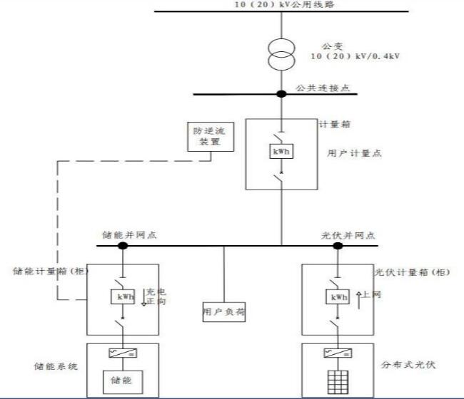
防逆流控制:控制光伏发电优先供给负载,多余电能存储到储能系统,当储能系统和负荷不能消纳的情况下,通过下调光伏逆变器对外输出功率,限制光伏出力。

首先判断并网功率是否超过了设定值,若超过需要进行防逆流的控制,然后判断储能状态,排除SOC不符合要求的储能单元后,根据储能的状态做储能降功率放电或者充电或者光伏降功率。

动态扩容:短期用电功率大于变压器容量时,储能快速放电,或改变可调负荷,满足安全用能要求。

系统监测变压器的带载率,如果监测到有大负荷冲击,导致变压器满载或过载,控制储能系统放电来削减峰值功率,从而达到动态扩容的效果。

配套产品
储能设备-液冷标准柜

充电设备-交/直流桩

智能监测:充电桩智能控制器对充电桩具备测量、控制与保护的功能,如运行状态监测、故障状态监测、充电计量与计费以及充电过程的联动控制等。
智能计量:输出配置智能电能表,进行充电计量,具备完善的通信功能,可将计量信息通过RS485分别上传给充电桩智能控制器和网络运营平台。
云平台:具备连接云平台的功能,可以实现实时监控,财务报表分析等等。
保护功能:具备防雷保护、过载保护、短路保护和漏电保护等功能。
远程升级:具备完善的通讯功能,可远程对设备软件进行升级。
适配车型:所有符合GB/T 20234.2-2015国标的电动汽车,适应不同车型的不同功率。
应用案例
某机场光储充项目


项目特点
光储充综合监测;
保障光伏、储能、充电桩等设备安全运行;
运用储能进行削峰填谷,降低用电成本;
运用储能进行新能源消纳,提升光伏消纳率;
自发自用、余电不上网。
现场照片


切换行业





正在加载...



