12月22日,北京市经济和信息化局公开征求《北京市绿色能源新技术新产品首应用目录(2025年版)》(征求意见稿)意见,涉及氢气压缩机、清洁氢制备装备、固态储供氢装备(系统)、氢燃机、高温燃料电池、液氢装备、大功率飞轮储能系统、压缩空气储能系统、钠离子电池储能系统、液流电池储能装备(系统)、固态电池、钙钛矿太阳能电池等12类绿色能源装备领域的成套装备。
原文如下:
关于公开征求《北京市绿色能源新技术新产品首应用目录(2025年版)》(征求意见稿)意见的通知
为支持北京绿色能源产业创新发展,北京市经济和信息化局拟出台重点绿色能源装备应用推广奖励政策。为进一步做好相关工作,近期围绕氢能、新型储能、钙钛矿光伏等重点领域,组织编制了《北京市绿色能源新技术新产品首应用目录(2025年版)》(征求意见稿),现向社会公开征求意见,欢迎社会各界提出意见建议。
公开征集意见时间为:2025年12月22日至12月26日。
意见反馈渠道如下:
1.电子邮箱:liyanjiang@jxj.beijing.gov.cn
2.通讯地址:北京市通州区留庄路3号院1号楼北京市经济和信息化局材料能源处539号房间(请在信封上注明“意见征集”字样)
3.电话:010-55520965
4.传真:010-55521001
5.登录北京市人民政府网站(https://www.beijing.gov.cn),在“政民互动”版块下的“政策性文件意见征集”专栏中提出意见。
北京市经济和信息化局
2025年12月22日
附件1:《北京市绿色能源新技术新产品首应用目录(2025年版)》(征求意见稿).docx
附件2:《北京市绿色能源新技术新产品首应用目录(2025年版)》起草说明.docx
附件3:《北京市绿色能源新技术新产品首应用目录(2025年版)》征求意见表.xls



《北京市绿色能源新技术新产品首应用 目录(2025年版)》的起草说明
1、编制目的
为落实中央经济工作会议“开展新技术新产品新场景大规模应用示范行动”,贯彻市政府工作报告提出的“聚焦绿色能源等重点产业谋划打造一批新的万亿级产业集群”有关工作要求,做好2025年绿色能源新技术新产品首应用奖励工作,我局结合北京市绿色能源产业发展现状组织编制了《北京市绿色能源新技术新产品首应用目录(2025年版)(征求意见稿)》,作为绿色能源新技术新产品首应用推广奖励政策的工作依据,旨在加速北京市绿色能源企业核心技术迭代与有效降本,助力本市绿色能源产业集群建设。
2、编制原则
根据国家发展改革委《关于促进首台(套)重大技术装备示范应用的意见》、《北京市“十四五”时期高精尖产业发展规划》、《北京市高精尖产业发展资金管理办法》等文件有关规定,结合我市绿色能源产业研发制造强、场景弱的特点,制定《北京市绿色能源新技术新产品首应用目录(2025年版)(征求意见稿)》。
(一)参照工业和信息化部印发的《首台(套)重大技术装备推广应用指导目录(2024年版)》等已发布的绿色能源领域鼓励发展的产品目录,结合北京绿色能源新技术新产品发展方向,立足支持在京研发、生产制造企业发展,聚焦培育和引进创新型绿色能源企业,科学确定首应用产品及指标要求。
(二)主要支持的产品是已完成产业化开发,尚处于市场验证或初期应用阶段的绿色能源领域创新产品,产品性能或技术参数等方面有重大突破,技术含量及附加值高,具有自主知识产权等。
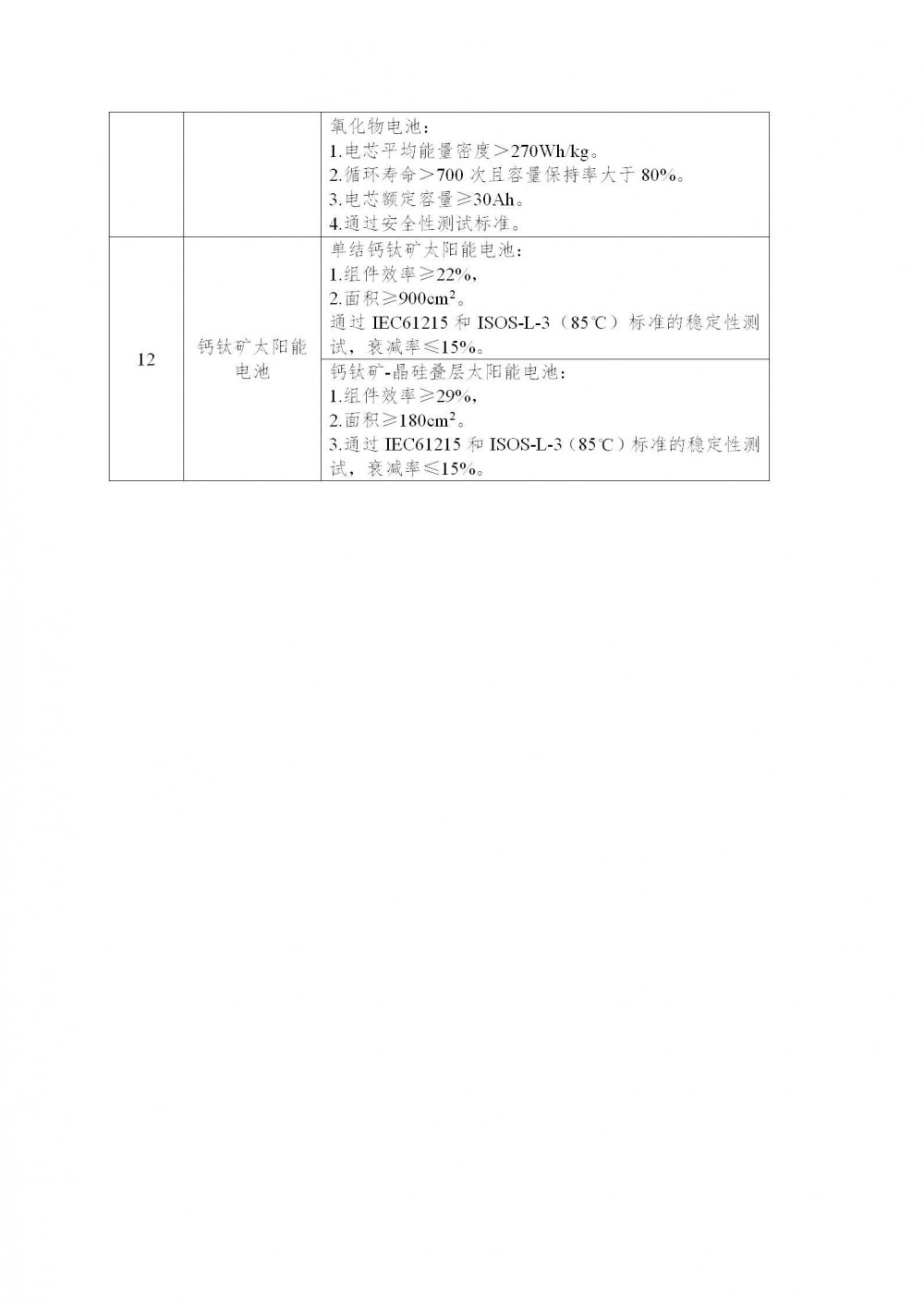
最终形成的《北京市绿色能源新技术新产品首应用目录(2025年版)(征求意见稿)》涉及氢气压缩机、清洁氢制备装备、固态储供氢装备(系统)、氢燃机、高温燃料电池、液氢装备、大功率飞轮储能系统、压缩空气储能系统、钠离子电池储能系统、液流电池储能装备(系统)、固态电池、钙钛矿太阳能电池等12类绿色能源装备领域的成套装备。

切换行业





正在加载...



